
Full-color and/or full-resolution graphics from the pages of QRP Homebrewer
QHB #3 -- Spring 2000
|
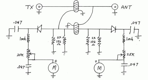
The "NoGaWatt" North Georgia QRP Club SWR-Wattmeter, by Mike Branca, W3IRZ |
Simple circuit board with pads for soldering components on copper side
Schematic of the NoGaWaTT
"directional Coupler"
Parts layout
Inside the enclosure shows horizontal orientation of components (for height reasons) and direct wiring to the BNCs. Be careful of the exposed transmission line in thebox! Note the simple holes for meters, epoxied to the front cover plate.
|
![]()