Full-color and/or full-resolution graphics from the pages of QRP Homebrewer

QHB #2 -- Winter 2000

 

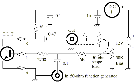
Transistor Gain-Bandwidth-Product, by Glen Leinweber, VE3DNL

         

 

Back to QHB Extra home page

 

Last Modified:  August 8, 2001