Full-color and/or full-resolution graphics from the pages of QRP Homebrewer

QHB #1 -- Fall 1999

 

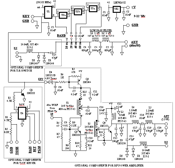
A Beginner’s Guide to the “Jersey Fireball 40”, by T.J. “Skip” Arey, N2EI 

 

Back to QHB Extra home page

 

Last Modified:  June 8, 2001