![]()

![]()
| T6963LCD.c | PIC C software to control T6963 based LCD display, by Art Prewitt, N4PT, artprewitt@earthlink.net My display is 128 x 64 but you should be able to adapt to other sizes by changing the defines. Bought the display and had to do something with it. Also trying to learn C. So this was a 'C' learning experience! Processor used was 16F874 @ 10.0 Mhz. Should work on 877 -- new .H file. Display used was a surplus MGLS-12864T. |
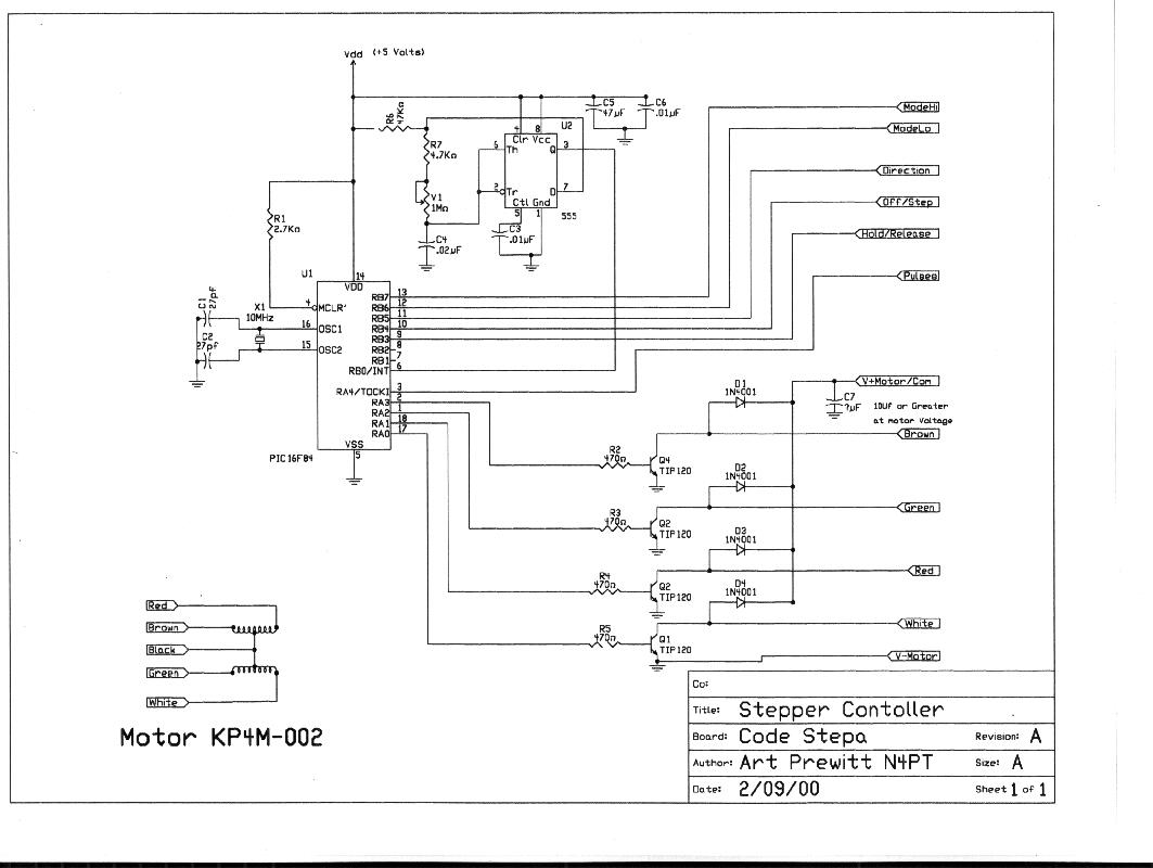
| steppercontoller.txt stepctl.jpg stepa.hex |
Unipolar Stepper Motor Controller, by Art Prewitt, N4PT,
artprewitt@earthlink.net The controller was designed to test/experiment with some of the surplus stepper motors available from old floppy drives and old dot matrix printers. There is a lot of information available on the web related to these motors (http://www.doc.ic.ac.uk/~ih/doc/stepper/). I am driving this circuit from the parallel port of a laptop computer. It only takes 4 bits for all the controls. I have the mode selection implemented in switches. It was necessary to add buffers between the parallel port and the PIC inputs. The laptop program was written in Borland Delphi using a free LPT component obtained from the Web. The controller was designed to test/experiment with some of the surplus stepper motors available from old floppy drives and old dot matrix printers. There is a lot of information available on the web related to these motors (http://www.doc.ic.ac.uk/~ih/doc/stepper/). I am driving this circuit from the parallel port of a laptop computer. It only takes 4 bits for all the controls. I have the mode selection implemented in switches. It was necessary to add buffers between the parallel port and the PIC inputs. The laptop program was written in Borland Delphi using a free LPT component obtained from the Web. |
| count14.asm.txt | 7-digit counter for
16C63 that runs 7-segment LEDs, by Bill Carver W7AAZ I have a 7-digit counter that runs 7-segment LEDs (green MHz, red KHz, green 100-10 Hz digits), measures and add/subtracts the IF frequency so it displays received frequency on a superhet, incorporates a pushbutton to lock the VFO to the current dial reading. See Spring 1998 Communications Quarterly for full info. FAR Circuits has the boards. Article gives parts list, adjustment and applications info. Built/tested units mentioned in the article are no longer available I hastily added a page of notes at the front of the source listing to orient the reader. Without the hardware description and schematic it's only likely to be of casual interest to anyone but a fairly hardcore PIC user. Regards - Bill - W7AAZ |
| siggenlo.asm.txt | Signal Generator (LO for
Transceiver) w/TX offset and RIT Mods 6/9/99 Sam Billingsley, AE4GX shares his code to add transceiver type features (i.e. transmit offset and receive incremental tuning RIT) based off the original sig-gen3a code. |
| siggen3a.asm.txt | Sig_Gen
DDS Bruce AA0ED and Craig AA0ZZ have recently completed a new version of the Sig_Gen DDS project. They have fixed a number of bugs and have modified many of the subroutines to make them more efficient and easier to understand. Most of all, they documented the code thoroughly. Subroutines now have headers with inputs and outputs listed. Also there are quite extensive comments throughout the code itself. Their purpose was to make the code easy to understand so that it can be used in other projects as well. We still list Curt, WB2V, as the author. They have not really added major functionality, but did changed some limits, such as extending the upper limit to 30 MHz. Craig redesiged the output low-pass filter to accommodate this. They sent this code to Curt to get his permission to put it out in the public. He was gave his enthusiastic go ahead. They have called this Version 3a. The ReadMe file is new, and contains information about the various versions, board construction help, and additional information about tailoring the code to various needs. For
the latest information about this project, you can contact the
authors: |
| Ad9832_3.asm.txt and P16c84.inc.txt |
Straightforward VFO Johan Bodin, SM6LKM sends us this a simple and straightforward VFO without "bells and whistles". The program can be used as a template for those wanting to experiment with the AD9832. If the C84 is replaced by an F84, there will be plenty of RAM for various functions such as IF offset etc. (He's used 35 out of 36 bytes!). |
| 9850 DDS VFO using 16F84 | Sig_Gen
ported to 16F84 This is the WB2V project originally on 1654, ported to 16F84 by George N2APB using SPASM, and ported to MPASM by Craig AA0ZZ |
| Calibrate Mode & Band Select for DDS VFO Project | Calibrate Mode added
to Sign_gen Curt WB2V now has a 16F84 version of the DDS_VFO which has a "calibrate" mode and a band selector. The oscillator frequency is stored in the EEPROM and can be changed via the rotary encoder. The code is written in SPASM and seems to work OK. There is a 32 bit binary to bcd conversion subroutine in it that would be useful elsewhere. |
| sig_gen2.asm.txt | Sig_Gen
converted to assemble using MPASM Bruce Stough, AA0ED now has a version of SIG_GEN converted to assemble under MPASM. The .hex file it produces loads the same code into the PIC as the .obj file produced by the Parallax assembler with the original source code. The new code produces four warning messages when assembled, because it includes some chip ID information. These can be ignored. The code is there only to produce an identical result as the original. The correct stuff does get into the .hex file. Also, the original DDS_VFO code did not work reliably with the LCD. Some of the frequency updates were lost, and at times the screen would blank. The new SIG_GEN code seems to work fine with the same LCD. Nice! |
(NOTE: I post the code as .txt files so it can be viewed directly as text with your browsers. If you download the files (by right-clicking and "save as..."), just knock the .txt off the filename to have the native naming convention for your PIC development environments. Thanks ... n2apb )
![]()