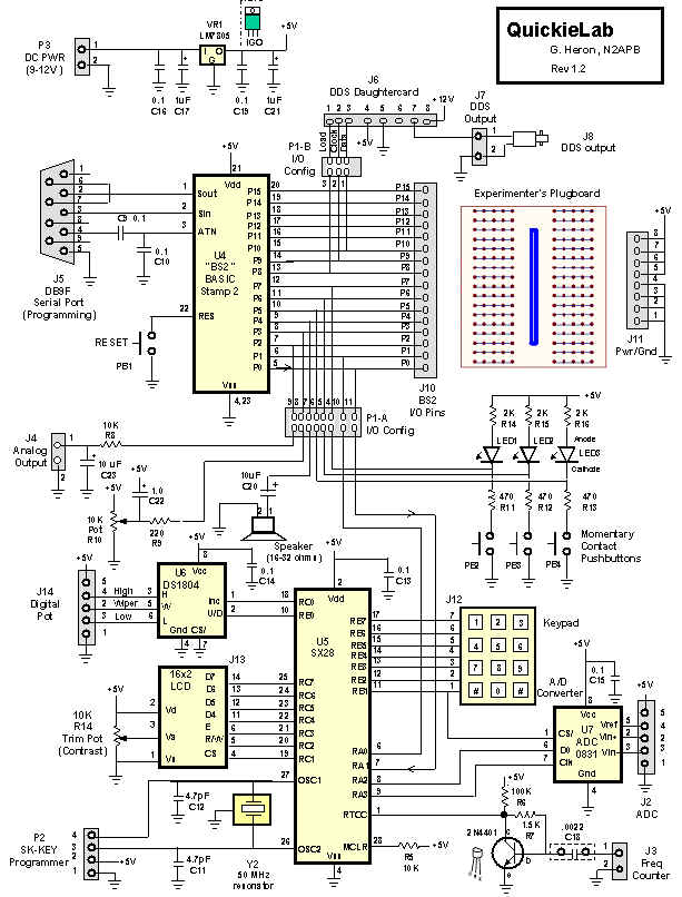
Download PDF version of the schematic

 

 

Last Modified:  February 2, 2003