
Full-color, full-resolution graphics from the pages of QRP Homebrewer
QHB #9 -- November 2002
|
Low Pass Filters for QRP Transmitters, by Phil DeCaire, WB7AEI |
|
|
|
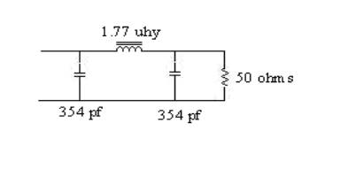
3 element Butterworth filter with a cutoff of 9 MHz
|
|
5 element design below shows a loss of only 0.4 dB with an input impedance of 37 +j21 ohms at 7.04 MHz
|
|
If you need more harmonic attenuation for a given cutoff frequency, add more elements. Shown below is a 7 element 0.1 dB ripple Chebyshev low pass filter for 40M
|
![]()