
Full-color, full-resolution graphics from the pages of QRP Homebrewer
QHB #9 -- November 2002
|
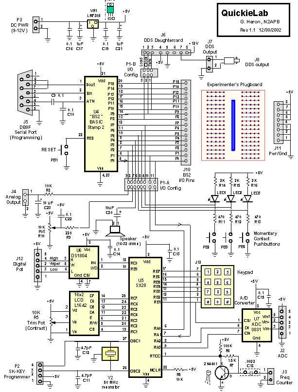
The QuickieLab - A QRPer’s Experimenting Platform, by George Heron, N2APB |
| (See full project description) |
![]() Pre-production PCB version (Production version has green soldermask and white silkscreening to assist in assembly) |
![]() Keypad & LCD removed to show I/O Expander chip (upper left) and BASIC Stamp Controller (lower left). Empty sockets are for optional/cheaper BS2 controller clone chips from Peter Anderson
|
![]() Bottom side of PCB shows rubber feet and speaker |
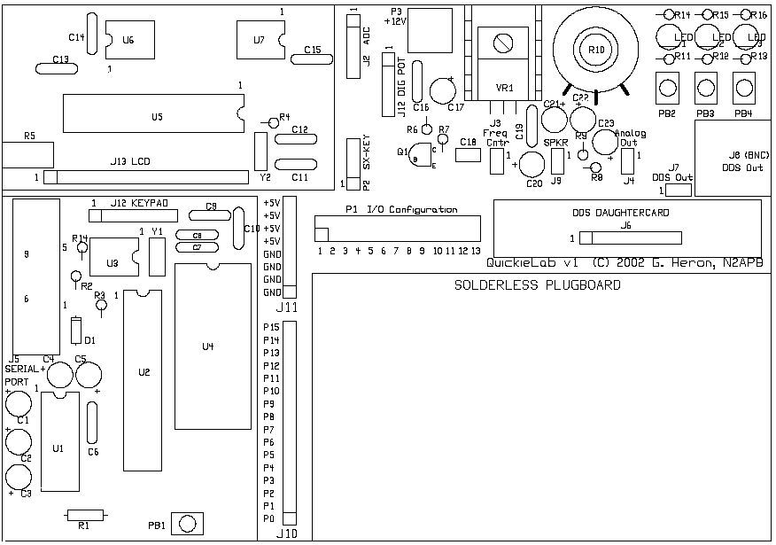
![]() PCB Parts Layout |
|
|
Initial Breadboard of the QuickieLab |
![]()