An Evaluation Application using IOX
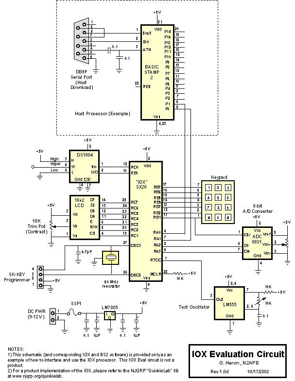
IOX Schematic

Use this schematic as a guide in understanding & using the IOX chip in your own project.  

 

Last Modified:  November 15, 2002